• 产品中心

    • 工业自动化

      • 变频器

      • 软起动器

      • 伺服系统

      • 控制器

    • 系统集成

      • 双导航轮式机器人

      • 微模块产品线

      • 供配电产品线

      • 智能温控产品线

      • 智能监控产品线

    • 柔性触觉传感器

      • 乘用车防夹安全边传感器

      • 安全触边传感器

      • 安全地毯传感器

      • 安全缓冲传感器

      • 安全控制器

    • 工业物联网

      • 主电机控制器

      • 辅助电机控制器

      • 车载充电电源

      • 充电桩

      • 物联网

  • 解决方案

    • 制冷

    • 起重和提升机

    • 电梯和自动扶梯

    • 娱乐

    • 林业和木工

    • 暖通空调(HVAC)

    • 物料搬运

    • 金属行业

    • 采矿,水泥和混凝土

    • OEM设备制造商

    • 包装机械

    • 港口货运码头机械

    • 印刷

    • 可再生能源研究与开发

    • 橡塑

    • 试验台

    • 水和废水

    • 线缆

  • 新闻资讯

    • 公司新闻

    • 行业动态

    • 员工风采

    • 大事记

  • 服务与支持

    • 科学研发

    • 产品知识

    • 售后服务

    • 下载中心

  • 关于立邦达

    • 企业简介

    • 企业文化

    • 资质荣誉

    • 企业实力

    • 联系我们

  • 立邦达成员

    
    • 青岛科润技术有限公司

    • 青岛立邦达碳传感科技有限公司

    • 青岛立邦达工控技术有限公司

    • 济南立邦达工控技术有限公司

    • 青岛立邦机电有限公司

中文


中文

产品中心


当前位置: 网站首页 > 产品中心 > 柔性触觉传感器 > 安全地毯传感器 > LCS-PSM3系列抗冲击碾压型安全地毯传感器
返回
返回







  • LCS-PSM3系列抗冲击碾压型安全地毯传感器



LCS-PSM3系列抗冲击碾压型安全地毯传感器
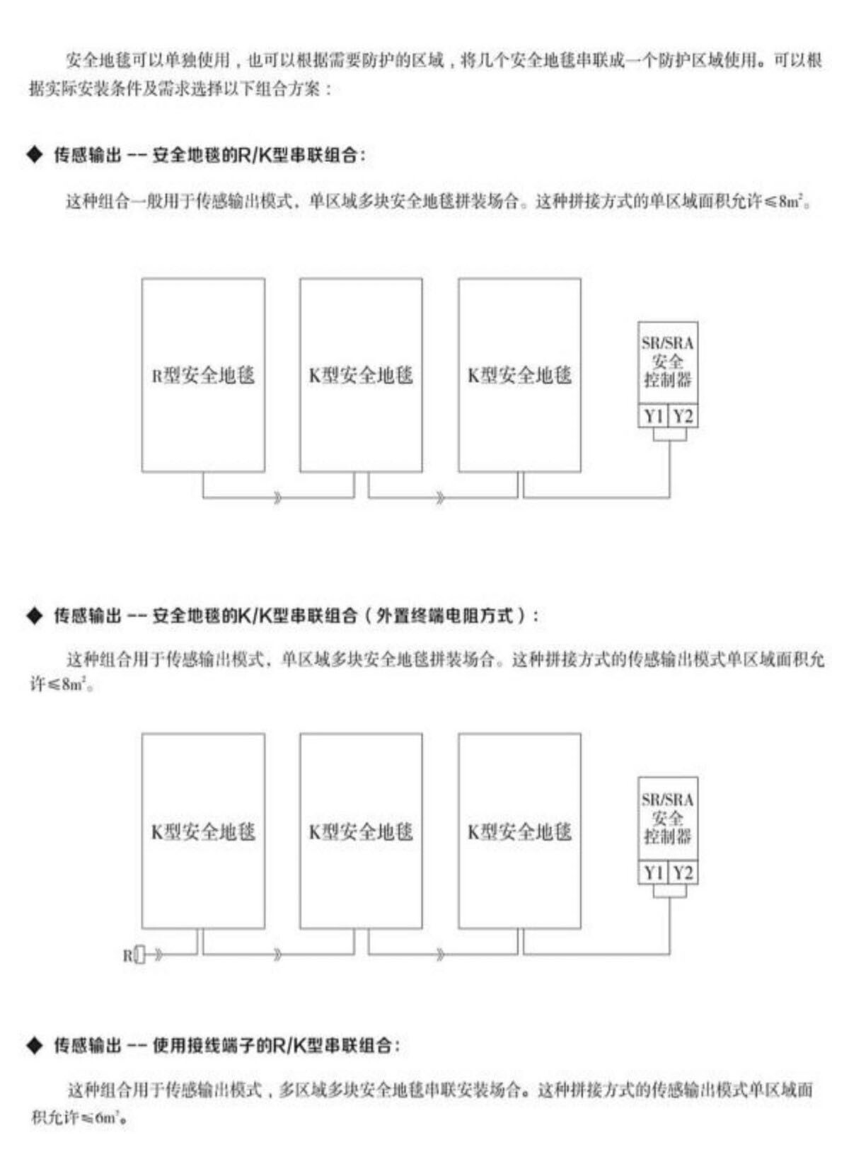
产品介绍
技术参数
资料下载

LCS-PSM3系列抗冲击碾压型安全地毯传感器 (1)

LCS-PSM3系列抗冲击碾压型安全地毯传感器 (2)

LCS-PSM3系列抗冲击碾压型安全地毯传感器 (3)

LCS-PSM3系列抗冲击碾压型安全地毯传感器 (4)

LCS-PSM3系列抗冲击碾压型安全地毯传感器 (5)

LCS-PSM3系列抗冲击碾压型安全地毯传感器 (6)

LCS-PSM3系列抗冲击碾压型安全地毯传感器 (7)

LCS-PSM3系列抗冲击碾压型安全地毯传感器 (8)

LCS-PSM3系列抗冲击碾压型安全地毯传感器 (9)

LCS-PSM3系列抗冲击碾压型安全地毯传感器 (10)

LCS-PSM3系列抗冲击碾压型安全地毯传感器 (11)

LCS-PSM3系列抗冲击碾压型安全地毯传感器 (12)

  • 
    LCS-PSM3系列抗冲击碾压型安全地毯传感器
    预览
    下载

在线留言

提交

相关产品

  • 乘用车防夹安全边传感器
    乘用车防夹安全边传感器
  • 安全触边传感器
    安全触边传感器
  •  LCS-PSM1系列拼装型安全地毯传感器
    LCS-PSM1系列拼装型安全地毯传感器
  • LCS-PSM2系列安全地毯传感器
    LCS-PSM2系列安全地毯传感器
  • 工业自动化

    • 变频器

    • 软起动器

    • 伺服系统

    • 控制器

  • 系统集成

    • 双导航轮式机器人

    • 微模块产品线

    • 供配电产品线

    • 智能温控产品线

    • 智能监控产品线

  • 柔性触觉传感器

    • 乘用车防夹安全边传感器

    • 安全触边传感器

    • 安全地毯传感器

    • 安全缓冲传感器

    • 安全控制器

  • 工业物联网

    • 主电机控制器

    • 辅助电机控制器

    • 车载充电电源

    • 充电桩

    • 物联网

联系方式

地址:青岛市高新区锦业路1号蓝贝智造工场A4栋

服务热线:400-151-0678

电话:0532-88984168

邮箱:xulibang@ledbond.com

网址:www.ledbond.com

旗下公司网站群

  • 立邦达成员

    
    • 青岛科润技术有限公司

    • 青岛立邦达碳传感科技有限公司

    • 青岛立邦达工控技术有限公司

    • 济南立邦达工控技术有限公司

    • 青岛立邦机电有限公司

二维码_30

Copyright © 2025 立邦达企业. All Right Reserved. 备案号:鲁ICP备2026012638号

技术支持:泓动力网络